趣味工房 HIRO-G


< 計測・制御用 レトロなトレーニング・ボード ゲット 


 ヤフオクでレトロな計測・制御ボード、写真1AB10−EXE(サン・マイテック社製)をこれもまた偶然に見つけました。 見た瞬間に、このトレーニング・ボードを使えば、ND80ZVを使って、今までやっていない外部の計測装置や制御装置をテストするのに好都合では!?、とのヒラメキでゲットしました。
 どうやらどこかのトレーニング教室で使われていたようで、写真2のように至れりつくせりの機能満載でしかも新品同様です。 これを今、個人で作るとなるとウン万円はかかると思いますし、エライ手間で作る気にはなりません。 たまにこのような、レトロ仕様のトレーニング・ボードが出回りますが、正常に動けば、かなりお買い得品が多いです。
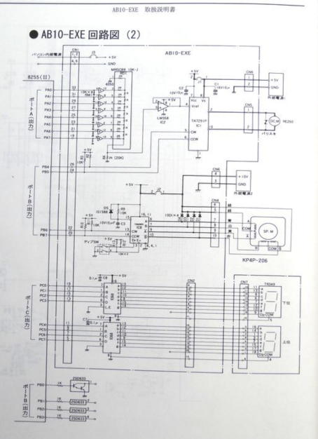
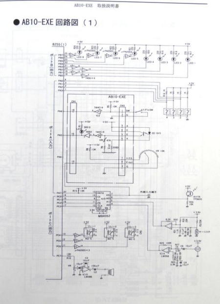
 このボードもPC9801時代のものですが、取説(写真3)が付属しており、写真4のように、全てPC9801用のBASICで記載されていますが、プログラムの例も記載されていました。 また、取説では写真5〜写真7のように、ブロック図や回路図等、ハードに関しても割りと詳細に記載されているので使えそうです。 

 このボードを使って、ND80ZVを計測・制御装置として使えるかどうかもテストしてみたいと思います。 AB10−EXEは基本的には、8255を介してのコントロールですので、マシン語ベースならプログラムさえ組めたら使えることは間違いないのですが、問題はBASICです。
 今まで復元BASICマシンで検討してきましたBASICは、Tiny BASICの流れでしたので、OUTコマンドのように直接ハードをコントロールするコマンドはありませんでした。 ND80ZVZB3BASICはどうかと、確認しますと、流石です、OUTコマンドがありました。 
 と言う事は、ZB3BASICでもプログラムが作れると言うことになりますが、確認したいと思います。
 プログラムを再確認した結果、トラ技基本モニタ(+4K BASIC)には、OUT、INのコマンドがあるようです。 流石です。 確認してみます。


写真1 AB10−EXE(サン・マイテック社製)




写真2 AB10−EXE 外観図




写真3 AB10−EXE 取扱説明書




写真4 PC9801 BASICによるプログラミングの例



< 今後の予定 >


@ レトロ計測・制御 トレーニング・ボード ゲット: 完了

A  TK80BS BASICの移植?:

B  FDDコントローラの製作?:

C CP/Mシステム復元の可能性の検討?:

D グラフィック・ボードの製作?:


RETRO No8


BASICマシン復元進捗  ・計測・制御用 レトロなトレーニング・ボード ゲット
2014年10月27日


写真5 AB10−EXE ブロック図




写真6 AB10−EXE 回路図(1)




写真7 AB10−EXE 回路図(2)